МАНЖЕТА д/унитаза эксц 20 мм жесткий W 0221

Код товара:
62031
Артикул:
62031
Бренд:
АНИ Пласт
350.00 руб.
Вес:
0.254 кг
Объём:
0.002 м3
Наличие:
Поделиться:

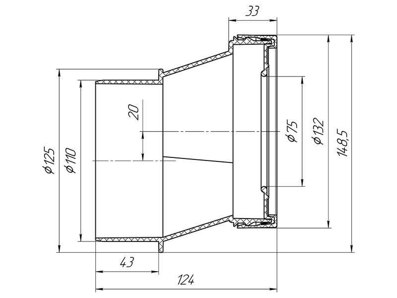
Манжета W0221 со смещением 20 мм для унитаза, обеспечивает надёжное, аккуратное и быстрое подсоединение выпуска унитаза к канализационной системе диаметр 110мм . Для чугунных труб. Манжета позволяет подсоединить выпуск унитаза смещённого вверх или в сторону относительно оси отверстия канализационного отверстия. Изготовлена из лёгкого и прочного полипропилена, манжеты и ПВХ, что обеспечивает долгий срок службы и устойчивость к агрессивным средам.
Цвет
Белый
Назначение
Для унитаза
Материал
Резина, ПВХ
Бренд
Анипласт
Страна
Россия
Объем, м3
0.002185
Вес, изделия (нетто), кг
0.254
ШтрихКод
4680472051524
Длина изделия, мм
124
Диаметр, (мм)
110х100

Оценок еще нет. Будьте первым!

Оставить отзыв [Войти]

Эксцентрик жесткий для подключения унитаза к канализации диаметр 110мм. Для чугунных труб.
Габаритные размеры: 124*141*168
Производитель: АНИ пласт
Страна производства: Россия